ICs 칩 LTM4670EY 쿼드 우모듈 규제 기관에 쉽게 잘 믿는 10A 출력 어레이를 공급하세요
LTM4670EY에 대한 제품 설명
LTM4670EY는 출력마다 10A로 쿼드 DC / DC 단계적으로 감소하는 uModule® (마이크로 모듈) 규제 기관입니다. 출력은 최고 40A까지 역량을 위한 배열에서 평행시킬 수 있습니다. 교환기, 파워 모스펫, 인덕터와 모든 지지하는 구성 요소가 일괄에 포함됩니다. 2.25V 내지 5.5V의 입력전압 범위에 걸쳐 작동할 때, 0.5V에서부터 VIN까지 각각 출력 전압 레인지는 단지 한 외부 저항에 의해 졌습니다. 그것의 고효율 설계는 채널마다 10A 연속출력전류를 전달합니다. 불과 몇 입력과 출력 커패시터는 필요합니다.
LTM4670EY는 양쪽 낮은 EMI와 고효율을 달성하기 위해 내부 핫 루프 바이패스 컨덴서와 조용한 Switcher®2 구조를 사용합니다. 디폴트 주파수는 내부로 2MHz로 설정됩니다, 그것이 외부적으로 1MHz부터 2.6MHz까지 시계에 동기화될 수 있습니다.
LTM4670EY의 상술
| 부품번호 : | LTM4670EY |
| 2.25 V | |
| 5.5 V | |
| 70 마 | |
| 2 마하즈 | |
| - 40 C | |
| + 125 C | |
| LTM4670 |
LTM4670EY의 특징
LTM4670EY의 애플리케이션
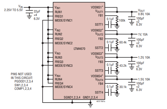
LTM4670EY의 전형적인 애플리케이션

FAQ
큐 : 당신의 제품 원형이 되세요?
한 : 예, 모든 제품은 원래입니다, 새로운 원형 수입이 우리의 목적입니다.
큐 : 당신이 어느 증명서를 가지고 있습니까?
한 : 우리는 ISO 9001:2015 지급 보증사고 ERAI의 회원입니다.
큐 : 소량 명령 또는 샘플을 지원하시겠습니까?샘플이 자유롭습니까?
한 : 예, 우리는 샘플 순서와 소량주문을 지원합니다.견본 경비는 당신의 수주 또는 프로젝트에 따라 다릅니다.
큐 : 내 주문을 보내는 방법? 그거 안전한가요?
한 : 우리는 DHL, 페덱스, UPS, TNT와 같이, 운반하도록 명시되어서 사용합니다, EMS.We가 또한 당신의 제안된 발송자를 사용할 수 있습니다.제품은 좋은 포장에 있고 안전을 보장할 것이고 우리가 당신의 주문에 대한 피해를 생성하도록 책임이 있습니다.
큐 : 생산 소요 시간에 대하여 어떻게 생각합니까?
한 : 우리는 5 근무일 이내에 재고 부품을 수송할 수 있습니다.주식 없이 면, 우리는 당신의 발주량을 기반으로 당신을 위해 생산 소요 시간을 확인할 것입니다.
담당자: Mr. Sales Manager
전화 번호: 86-13410018555
팩스: 86-0755-83957753